| Availability: | |
|---|---|
| Quantity: | |
Sinopak
Product Introduction – Principle

Product Introduction – Design Concept

Product Introduction – Composition

Product Introduction – Modes

Key Technology
The power unit is centered on an IGBT current converter, which inverters a DC voltage into an AC voltage, and controls the frequency, amplitude and phase of the AC voltage to achieve the output reactive power regulation and filtering functions for the entire device.
The implementing device for the comprehensive control cabinet control and protection system should provide the fast inspection and calculation of reactive power capacity, thereby triggering pulse generation and distribution, and realizing layered and graded protection for the equipment package.

Characteristic Innovation – Type I Three-level Cascade Topology

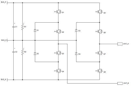
Type I three-level H-bridge topology


Five-level output waveform from a Type I three-level H-bridge

Characteristic Innovation – Power Unit Structure
A single module is in a dual unit "two-in-one" structural design. Different from conventional two-in-one units available on the market, it uses a single master control board to achieve the cascade control output of two Type I three-level full bridges.
Structure topology of power module
Characteristic Innovation – Structural Advantages and Innovation

Characteristic Innovation – Master Control System
Product Planning

Product Introduction – Principle

Product Introduction – Design Concept

Product Introduction – Composition

Product Introduction – Modes

Key Technology
The power unit is centered on an IGBT current converter, which inverters a DC voltage into an AC voltage, and controls the frequency, amplitude and phase of the AC voltage to achieve the output reactive power regulation and filtering functions for the entire device.
The implementing device for the comprehensive control cabinet control and protection system should provide the fast inspection and calculation of reactive power capacity, thereby triggering pulse generation and distribution, and realizing layered and graded protection for the equipment package.

Characteristic Innovation – Type I Three-level Cascade Topology

Type I three-level H-bridge topology


Five-level output waveform from a Type I three-level H-bridge

Characteristic Innovation – Power Unit Structure
A single module is in a dual unit "two-in-one" structural design. Different from conventional two-in-one units available on the market, it uses a single master control board to achieve the cascade control output of two Type I three-level full bridges.
Structure topology of power module
Characteristic Innovation – Structural Advantages and Innovation

Characteristic Innovation – Master Control System
Product Planning
